fan relay wiring diagram for blower

Dual Electric Fan Wiring Diagram : Dual Cooling Fan Wiring Harness. 18 Pics about Dual Electric Fan Wiring Diagram : Dual Cooling Fan Wiring Harness : 40 Wiring Diagram For Cooling Fan Relay - Wiring Diagram Online Source, Electric cooling fan wiring question | For A Bodies Only Mopar Forum and also 1994 Chevy Astro Heat and Air Selector Only Works on Fourth.

Dual Electric Fan Wiring Diagram : Dual Cooling Fan Wiring Harness

Dual Electric Fan Wiring Diagram : Dual Cooling Fan Wiring Harness afwfakeeee.blogspot.com

imageservice

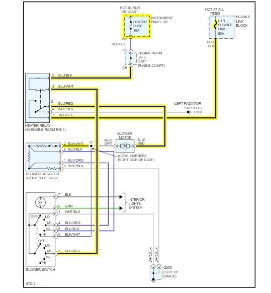
Blower Motor Not Coming On: No Power At Fan. All Fuses And Relays

Blower Motor Not Coming On: No Power at Fan. All Fuses and Relays www.2carpros.com

blower coming motor

AC Works Only If I Push Contactor Switch - DoItYourself.com Community

AC Works Only If I push Contactor Switch - DoItYourself.com Community www.doityourself.com

contactor ac unit heat pump goodman condenser switch fan rheem tempstar air trane turn push problems conditioner older conditioning works

40 Wiring Diagram For Cooling Fan Relay - Wiring Diagram Online Source

40 Wiring Diagram For Cooling Fan Relay - Wiring Diagram Online Source sitzone.blogspot.com

Auxilary Wiring Harnesses For 1977-81 Trans Ams

Auxilary Wiring Harnesses for 1977-81 Trans Ams www.firebirdtransamparts.com

harness wiring trans pontiac power speed supply 1977 fan harnesses firebirdtransamparts techinfo alternators engines driver had side which

Carrier 8000 Error Code 21

Carrier 8000 Error Code 21 www.askmehelpdesk.com

8000 carrier furnace code error limit inducer motor fan ran askmehelpdesk

Electric Cooling Fan Wiring Question | For A Bodies Only Mopar Forum

Electric cooling fan wiring question | For A Bodies Only Mopar Forum www.forabodiesonly.com

relay wiring fan diagram dual electric kit cooling automotive instructions ls wire switch thermostat ignition champion schematic gauge system mopar

Relay Buzzing, HVAC Blower And A/C Live Without Key On

Relay Buzzing, HVAC Blower and A/C Live without Key On www.2carpros.com

buzzing

1994 Chevy Astro Heat And Air Selector Only Works On Fourth

1994 Chevy Astro Heat and Air Selector Only Works on Fourth www.2carpros.com

astro selector 2carpros

Fb4anf024 Wiring Diagram

Fb4anf024 Wiring Diagram diagramweb.net

handler carrier thermostat diagrams arcoaire schematics honeywell thermostats

Wiring Diagram Engine Fan

Wiring Diagram Engine Fan wiringdiagramall.blogspot.com

properly

Goodman Air Handler Blower Motor - DoItYourself.com Community Forums

Goodman air handler blower motor - DoItYourself.com Community Forums www.doityourself.com

goodman handler air blower motor wiring diagram doityourself conditioning cooling circuit wire upvote systems

Blower Motor Fan Relay - HVAC - DIY Chatroom Home Improvement Forum

Blower Motor Fan Relay - HVAC - DIY Chatroom Home Improvement Forum www.diychatroom.com

relay blower motor fan

HVAC Relays And Contactors - HVAC How To | Air Conditioner Maintenance

HVAC relays and contactors - HVAC How To | Air conditioner maintenance www.pinterest.com

hvac fan condenser motor contactor air unit conditioner contactors pump heat refrigeration relays furnace relay switch coil lennox heating capacitor

60 Hvac Blower Motor Relay Wiring Diagram - Wiring Diagram Harness

60 Hvac Blower Motor Relay Wiring Diagram - Wiring Diagram Harness wiringdiagramharnessideas.blogspot.com

duct

Wiring An Outdoor Condenser!: What Each Of The Wires Is For, How It

Wiring an Outdoor Condenser!: What each of the Wires is For, How it www.youtube.com

wiring diagram thermostat bryant ac condenser wires outdoor i0 each

Blower Motor Fan Fuse/relay Location: I Cannot Find Fuse Or Relay

Blower Motor Fan Fuse/relay Location: I Cannot Find Fuse or Relay www.2carpros.com

blower

High Flow Blower Relay Stays Energized When Key Turned OFF

High Flow Blower relay stays energized when key turned OFF corvaircenter.com

energized

Harness wiring trans pontiac power speed supply 1977 fan harnesses firebirdtransamparts techinfo alternators engines driver had side which. Astro selector 2carpros. Fb4anf024 wiring diagram