escape fuse panel diagram

Fuse Box Location Needed: Where Us Fuse Box?. 18 Images about Fuse Box Location Needed: Where Us Fuse Box? : Ford Escape (2001 - 2007) - fuse box diagram - Auto Genius, 2011 Escape Fuse Box Diagram - Wire and also 2009 Ford Escape Fuse Diagram — Ricks Free Auto Repair Advice Ricks.

Fuse Box Location Needed: Where Us Fuse Box?

Fuse Box Location Needed: Where Us Fuse Box? www.2carpros.com

I Have A 2001 Ford Escape 4x4 Xls My Cruise Control Wont Work Where Is

I have a 2001 ford escape 4x4 xls My cruise control wont work where is www.justanswer.com

escape fuse ford diagram box location 2007 panel cruise 2001 control 2009 wiring 2002 xls fuses 4x4 intended where diagrams

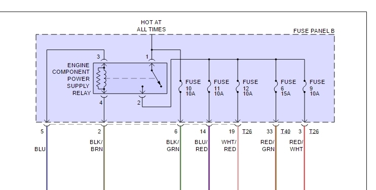
Fuse Box - Fuse Assignment - Soviet Steeds

Fuse Box - Fuse Assignment - Soviet Steeds sovietsteeds.com

2008-2012 Ford Escape Fuse Box Diagram » Fuse Diagram

2008-2012 Ford Escape fuse box diagram » Fuse Diagram knigaproavto.ru

schematics fotohostingtv fuses

Ford Escape SUV 2003 Main Fuse Box/Block Circuit Breaker Diagram

Ford Escape SUV 2003 Main Fuse Box/Block Circuit Breaker Diagram www.carfusebox.com

ford fuse diagram 2003 escape box focus 2004 breaker circuit explorer transit connect suv main heater justanswer block se carfusebox

Ford Escape Hybrid (2011-2012)

Ford Escape Hybrid (2011-2012) www.pinterest.com

fuse escape ford box 2008 panel location diagram hybrid power fuses brake 2009 interior info electrical compartment

Need Copy Of Where Fuse Box: Fuses Put Back In Wrong Place Now Car...

Need Copy of Where Fuse Box: Fuses Put Back in Wrong Place Now Car... www.2carpros.com

fuse copy where box need

2009 Ford Escape Fuse Diagram — Ricks Free Auto Repair Advice Ricks

2009 Ford Escape Fuse Diagram — Ricks Free Auto Repair Advice Ricks ricksfreeautorepairadvice.com

ricks u2014 diagrama clk zx4

Modifications And Resources

Modifications and Resources www.mye28.com

fuse box wiring relay modified modifications mye28 rods tech

The Diagrams Show All The Fuse Locations And What There Are For!

The diagrams show all the fuse locations and what there are for! www.justanswer.com

fuse relay fuel pump location thunderbird ford 1997 box fan lx cooling control locations under module constant troubleshooting located diagrams

Fuse Box Diagram, Cranks Will Not Start

Fuse Box Diagram, Cranks Will Not Start www.2carpros.com

fuse diagram box cranks start

Interior Fuse Box Location: 2013-2019 Ford Escape - 2013 Ford Escape

Interior Fuse Box Location: 2013-2019 Ford Escape - 2013 Ford Escape www.carcarekiosk.com

fuse escape

Ford Escape (2001 - 2007) - Fuse Box Diagram - Auto Genius

Ford Escape (2001 - 2007) - fuse box diagram - Auto Genius www.autogenius.info

escape fuse ford diagram box 2001 2007 passenger compartment panel located control info carknowledge wiring side vent canister protected components

Given A Fuse Panel, Which Way Should A Fuse Tap Be Facing? - Motor

Given a fuse panel, which way should a fuse tap be facing? - Motor mechanics.stackexchange.com

fuse

Electrical - Missing Fuses - Is It OK? - Motor Vehicle Maintenance

electrical - Missing fuses - is it OK? - Motor Vehicle Maintenance mechanics.stackexchange.com

fuses ok missing

2011 Escape Fuse Box Diagram - Wire

2011 Escape Fuse Box Diagram - Wire tinyjudson.blogspot.com

fuses fusibles diagrama relays nissan sportage murano escape passenger diagrams suburban ventos

Interior Fuse Box Diagram: Ford Escape (2008, 2009, 2010, 2011, 2012

Interior fuse box diagram: Ford Escape (2008, 2009, 2010, 2011, 2012 www.pinterest.ca

fuse escape ford box diagram panel 2008 2009 hybrid interior fuses info electrical passenger wiring relay location smart assignment relays

Fuse Box: This Car Is Missing A Wire Diagram To The Fuse Box Under...

Fuse Box: This Car Is Missing a Wire Diagram to the Fuse Box Under... www.2carpros.com

fuse box diagram

Fuse copy where box need. Fuse box diagram. Fuse escape ford box 2008 panel location diagram hybrid power fuses brake 2009 interior info electrical compartment