engine light wiring

Powerdynamo for BMW R50,R50S,R60,R51/3,R67,R68,R69,R69S (only dynamo). 18 Pics about Powerdynamo for BMW R50,R50S,R60,R51/3,R67,R68,R69,R69S (only dynamo) : John Deere light tractor charging system problem. - YouTube, Pin on Light Wiring Diagram and also Turn Signal Wiring 2 Bulb System to 1 Bulb System - Shoptalkforums.com.

Powerdynamo For BMW R50,R50S,R60,R51/3,R67,R68,R69,R69S (only Dynamo)

Powerdynamo for BMW R50,R50S,R60,R51/3,R67,R68,R69,R69S (only dynamo) www.powerdynamo.biz

r50 r60 system bmw engine r69s r67 r50s powerdynamo r68 dynamo r51 r69 regulator r69us advantage systems biz stator

John Deere Light Tractor Charging System Problem. - YouTube

John Deere light tractor charging system problem. - YouTube www.youtube.com

deere john charging system tractor problem light

Bad Boy Mower Parts Lookup- Bad Boy Mowers | Bad Boy Mower

Bad Boy Mower Parts Lookup- Bad Boy Mowers | Bad Boy Mower www.badboymowerparts.com

wiring mowers

Work Light Wiring Diagram - Wiring Diagram Schemas

Work Light Wiring Diagram - Wiring Diagram Schemas wiringschemas.blogspot.com

relay rocker fog blurts tonetastic allove offroad fuse database turbosii

1987 Bronco Power To Fuel Pump Issue - Ford Truck Enthusiasts Forums

1987 bronco power to fuel pump issue - Ford Truck Enthusiasts Forums www.ford-trucks.com

fuel pump 1987 bronco ford issue power

Paul Schils' 1973 MGB-GT With Buick 215 V8 Engine

Paul Schils' 1973 MGB-GT with Buick 215 V8 Engine www.britishv8.org

brake switch light mgb mg 1973 v8 upgraded buick schils gt paul engine

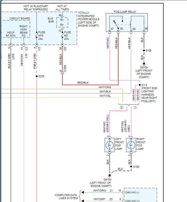
Fog Lamps Wiring Diagram: Hello, I Would Like To Add DRL LED Lamps...

Fog Lamps Wiring Diagram: Hello, I Would Like to Add DRL LED Lamps... www.2carpros.com

fog wiring diagram lamps

Simple Headlight Relay Wiring

simple headlight relay wiring audi.humanspeakers.com

headlight wiring audi simple headlights schematic done shows mini relay humanspeakers

LS1 Swap, Stock Shift Light With PCM Control - Third Generation F-Body

LS1 swap, stock shift light with PCM control - Third Generation F-Body www.thirdgen.org

ls1 harness swap pcm shift ecu finish start pinouts gauge light tpi control plug opinions obdii thoughts lsx ecm engine

Turn Signal Wiring 2 Bulb System To 1 Bulb System - Shoptalkforums.com

Turn Signal Wiring 2 Bulb System to 1 Bulb System - Shoptalkforums.com shoptalkforums.com

wiring bulb system signal turn apr sun am

Headlight Wiring : Electrical / Instruments By LotusElan.net

Headlight Wiring : Electrical / Instruments by LotusElan.net lotuselan.net

lotuselan

Angel Eyes + HIDs + Ultra White Bulbs - Advice Needed - Page 3

Angel Eyes + HIDs + ultra white bulbs - Advice Needed - Page 3 www.vectra-c.com

vectra diagram headlight bulbs hids needed advice ultra angel eyes wiring relay

Light/Motor Wiring

Light/Motor Wiring www.sandman-collectibles.com

wiring motor light knee foot

Pin On Light Wiring Diagram

Pin on Light Wiring Diagram www.pinterest.com

strobe autofeel

How To Wire A Led Light Motor And A On Off Switch - YouTube

How To Wire A led light motor and a on off switch - YouTube www.youtube.com

wiring diagram switch motor wire led light cb150r

P0560 – System Voltage Malfunction – TroubleCodes.net

P0560 – System voltage malfunction – TroubleCodes.net www.troublecodes.net

battery corrosion start starter voltage system malfunction code engine terminals troublecodes cables clicks wont won causes common

Unique 1998 Jeep Cherokee Tcm Wiring Diagram | Coches Mercedes Benz

Unique 1998 Jeep Cherokee Tcm Wiring Diagram | Coches mercedes benz www.pinterest.com

tcm

Wiring A Light | DIYnot Forums

wiring a light | DIYnot Forums www.diynot.com

wiring diynot

Headlight wiring audi simple headlights schematic done shows mini relay humanspeakers. Wiring a light. Wiring motor light knee foot