engine fan diagram

Toyota 2AZ FE Goodyear Belt Highlander Camry Scion Rav4 Kluger (updated. 18 Images about Toyota 2AZ FE Goodyear Belt Highlander Camry Scion Rav4 Kluger (updated : Unducted Fan Engine Diagram - Complete Wiring Schemas, Unducted Fan Engine Diagram - Complete Wiring Schemas and also Unducted Fan Engine Diagram - Complete Wiring Schemas.

Toyota 2AZ FE Goodyear Belt Highlander Camry Scion Rav4 Kluger (updated

Toyota 2AZ FE Goodyear Belt Highlander Camry Scion Rav4 Kluger (updated www.youtube.com

toyota belt 2az fe highlander rav4 camry scion kluger

Untitled Document [frankramos.com]

Untitled Document [frankramos.com] frankramos.com

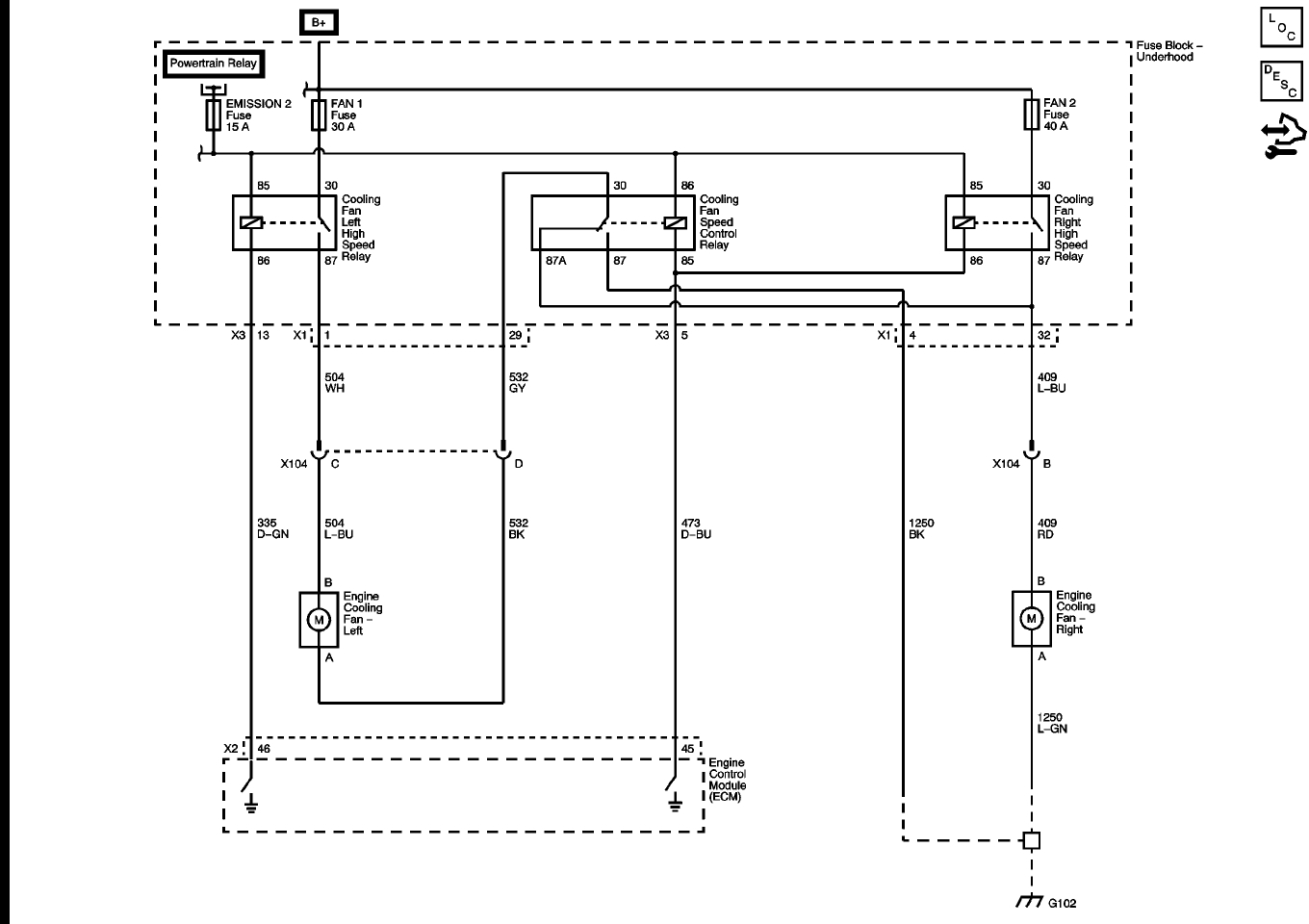
motor fan diagram pdf

Front Fan Motor Not Working: I Recently Replaced The Front Fan

Front Fan Motor Not Working: I Recently Replaced the Front Fan www.2carpros.com

fan motor working enlarge

Unducted Fan Engine Diagram - Complete Wiring Schemas

Unducted Fan Engine Diagram - Complete Wiring Schemas wiring89.blogspot.com

propfan

#peugeot #diagram #wiring #bsi #andPeugeot 206 Bsi Wiring Diagram And

#peugeot #diagram #wiring #bsi #andPeugeot 206 Bsi Wiring Diagram And www.pinterest.com

Engine Cooling Fans And Engine Management Wiring Diagrams Needed

Engine Cooling Fans and Engine Management Wiring Diagrams Needed www.2carpros.com

Chevrolet Colorado (2010) - Fuse Box Diagram - Auto Genius

Chevrolet Colorado (2010) - fuse box diagram - Auto Genius www.autogenius.info

fuse colorado diagram box chevrolet relay engine compartment civic ford si honda 2000 wiring usage focus info autogenius

Engine Cooling Fans Will Not Come On?, Page 2

Engine Cooling Fans Will Not Come On?, Page 2 www.2carpros.com

cooling fans come engine

Unducted Fan Engine Diagram - Complete Wiring Schemas

Unducted Fan Engine Diagram - Complete Wiring Schemas wiring89.blogspot.com

unducted

Unducted Fan Engine Diagram - Complete Wiring Schemas

Unducted Fan Engine Diagram - Complete Wiring Schemas wiring89.blogspot.com

Husqvarna R 18 AWD (966414101) (2010-03) Parts Diagram For Hydrostat

Husqvarna R 18 AWD (966414101) (2010-03) Parts Diagram for Hydrostat www.jackssmallengines.com

husqvarna r18 diagram parts awd k574 hydrostat rider sp

Fuses And Relays Mercedes-Benz A-Class (W168 1997-2004)

Fuses and relays Mercedes-Benz A-Class (W168 1997-2004) fuse2relay.info

fuse box w168 mercedes class benz 2004 1997 fuses relays diagram location compartment relay passenger under

Fan Belt Change Toyota Prado D4D - YouTube

Fan Belt Change Toyota Prado D4D - YouTube www.youtube.com

belt prado toyota fan d4d change

Jeep Wrangler (JK) - Fuse Box Diagram - Auto Genius

Jeep Wrangler (JK) - fuse box diagram - Auto Genius www.autogenius.info

wrangler corsa fuses sl550 relays carknowledge autogenius

Engine Cooling Fans And Engine Management Wiring Diagrams Needed

Engine Cooling Fans and Engine Management Wiring Diagrams Needed www.2carpros.com

cooling

Mazda 626 Gd Fuse Box Diagram With Boxes Location

Mazda 626 gd fuse box diagram with boxes location fuseandrelay.com

mazda

Engine Fan

Engine Fan www.mazdabg.com

engine fan unfasten attempting 0l check before mazda

Car Radiator Fan Diagram - Diagram Media

Car Radiator Fan Diagram - Diagram Media diagramedia.blogspot.com

radiator daul

Fuse colorado diagram box chevrolet relay engine compartment civic ford si honda 2000 wiring usage focus info autogenius. Chevrolet colorado (2010). Toyota 2az fe goodyear belt highlander camry scion rav4 kluger (updated