engine diagram for 1996 honda prelude

1994 Honda Civic Fuel Pump Wiring Diagram - Wiring Diagram. 17 Pictures about 1994 Honda Civic Fuel Pump Wiring Diagram - Wiring Diagram : [DIAGRAM] 97 Lexus Es300 Engine Diagram, Honda Prelude IV 92 96 Engine 2.2L 2.3L 4 Cylinder | Cylinder (Engine and also Honda Prelude (1991-1996) Fuse Diagram • FuseCheck.com.

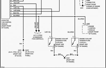
1994 Honda Civic Fuel Pump Wiring Diagram - Wiring Diagram

1994 Honda Civic Fuel Pump Wiring Diagram - Wiring Diagram wiringdiagram.2bitboer.com

civic hondacivicforum imageservice

Wiring Diagram: 11 1996 Honda Accord Fuse Box Diagram

Wiring Diagram: 11 1996 Honda Accord Fuse Box Diagram melissappos.blogspot.com

heated malfunction

[Removing 1995 Honda Prelude Engine] - Honda Prelude Jdm H22a Vtec 2 2

[Removing 1995 Honda Prelude Engine] - Honda Prelude Jdm H22a Vtec 2 2 www.autosalesmalta.com

vtec

I Have A 1996 Honda Prelude With A 2.3 Liter Engine. The Condenser Fan

I have a 1996 Honda prelude with a 2.3 liter engine. The condenser fan www.justanswer.com

honda prelude 1996 condenser fuse liter engine fan wire blows inspect c424 replace

1993 Honda Prelude Trying To Figure Out The Fan

1993 Honda Prelude Trying to Figure Out the Fan www.2carpros.com

prelude honda 1993 trying fan figure

Madedvtec 1993 Honda Prelude Specs, Photos, Modification Info At CarDomain

madedvtec 1993 Honda Prelude Specs, Photos, Modification Info at CarDomain www.cardomain.com

prelude

1996 Honda Fuse Box - Wiring Diagram Schema

1996 Honda Fuse Box - Wiring Diagram Schema kiona-machit.blogspot.com

fuse honda civic diagram box 1996 wiring relay 2007 lighter power justanswer need

Skypilot8569 1998 Honda Prelude Specs, Photos, Modification Info At

skypilot8569 1998 Honda Prelude Specs, Photos, Modification Info at www.cardomain.com

prelude

Honda Prelude (1991-1996) Fuse Diagram • FuseCheck.com

Honda Prelude (1991-1996) Fuse Diagram • FuseCheck.com fusecheck.com

prelude fusibles fusecheck compartimento

Honda Prelude IV 92 96 Engine 2.2L 2.3L 4 Cylinder | Cylinder (Engine

Honda Prelude IV 92 96 Engine 2.2L 2.3L 4 Cylinder | Cylinder (Engine www.scribd.com

prelude engine honda cylinder 3l 2l iv diagrams wiring

I Am Working On A Honda Prelude With A 2.2L Engine With A Manual

I am working on a Honda Prelude with a 2.2L engine with a manual www.justanswer.com

honda prelude 2l manual working engine am

[DIAGRAM] 97 Lexus Es300 Engine Diagram

[DIAGRAM] 97 Lexus Es300 Engine Diagram diagramfactory.blogspot.com

lx lexus es300 prelude diagrams miata integra acura buharman

Honda Prelude (1991-1996) Fuse Diagram • FuseCheck.com

Honda Prelude (1991-1996) Fuse Diagram • FuseCheck.com fusecheck.com

fuse honda prelude 1991 1996 diagram fusecheck footrest lower located block panel behind left side

1998 Honda Prelude Engine Diagram

1998 Honda Prelude Engine Diagram nalankanevice.blogspot.com

prelude 2dr 1998 schematics lists

1996 Honda Civic Radio Wiring Diagram | How Small Can Words Be Tattooed

1996 Honda Civic Radio Wiring Diagram | how small can words be tattooed how-small-can-words-be-tattooed-news.blogspot.com

prelude hotels

1995PreludeVtec 1995 Honda Prelude Specs, Photos, Modification Info At

1995PreludeVtec 1995 Honda Prelude Specs, Photos, Modification Info at www.cardomain.com

prelude

Find Used 2001 HONDA PRELUDE 2,2 ENGINE 5 SPEED MANUAL SHIFTER SUNROOF

Find used 2001 HONDA PRELUDE 2,2 ENGINE 5 SPEED MANUAL SHIFTER SUNROOF www.2040-cars.com

prelude alloys sunroof

Wiring diagram: 11 1996 honda accord fuse box diagram. Prelude hotels. Prelude fusibles fusecheck compartimento